發布時間:2021-12-06 10:54:47
電纜分支箱在電力體系配網電纜化工程中,是一種經濟、穩定、維護便利的接線辦法,它全絕緣、全密封的特性而電纜線路毛病率大為降低,成為配網電纜化工程的重要設備。節省了設備和電纜的出資,提高了供電的可靠性,廣泛適用于商業中心、工業園區及城市密集區。接下來,我們就來了解一下。
一、電纜分支箱概述
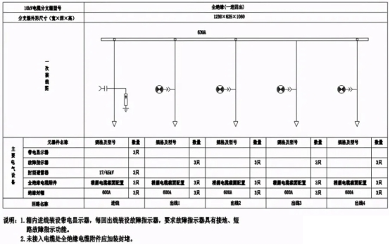
電纜分支箱用于非主干回路的分支線路,作為結束負荷接入用電運用,適用于中小客戶會集區域進行負荷分接時的接入用電,不該接入主干環網及聯絡。電纜分支箱選用電纜進線1回,出線2回或4回,出線回路數可根據運用需求選用,額定電流為630A。選用全絕緣、全封閉、全屏蔽可觸摸式結構,以及選用防凝露、防內部毛病電弧外泄等辦法。
二、電纜分支箱電氣一次部分

一進四出分支

進線帶負荷開關

進出線負荷開關

進出線斷路器
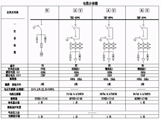
三、電纜分支箱分類
常見的電纜分支箱有美式電纜分支箱,歐式電纜分支箱,環網型電纜分支箱,帶一臺開關的電纜分支箱等,一般不含有維護安裝。
1)美式電纜分支箱,它以單向開門、橫向母排為主要特點,具有寬度小、組合靈敏、全絕緣、全密封等顯著長處。600A主回路選用旋入式螺栓固定銜接;分支回路選用拔插式銜接。
分支箱主要由箱體、母排接板、電纜接頭組成;箱體防護等級:IP43;母排接板:在電纜分支體系中起到母排的效果,其特點是全絕緣,全密封。包括二通接頭、三通接頭和四通接頭。
按電流等級可分為200A和600A兩種。200A母排接板與肘型電纜插頭銜接;600A母排接板因為T型電纜接頭或T-Ⅱ型電纜接頭銜接,從而組合成電纜多路出線。當母排接板留有預留接口時,可用相應的200A或600A絕緣帽將此接口封住。
T型電纜接頭,用于電纜分支箱的主網分支體系600A,既能夠銜接600A母排接板M,也能夠和T-II型電纜接頭600A側銜接。或者直接用若干只T型電纜接頭組合銜接,可靈敏組合成多路多種型式的電纜分支。
一同T型電纜接頭也可作為環網柜的進出線電纜接頭用,設備需求檢修時,可將T型電纜接頭安裝在單通接頭上,與檢修設備進行隔離,在其測試點上也能夠安裝短路毛病指示器或帶電指示器,相同完成快速毛病定位或線路帶電狀況指示。
2)歐式電纜分支箱,它的首要特點是雙向開門、運用穿墻套管作為銜接母排,具有長度小、電纜擺放清楚、三芯電纜不需大跨度交叉等顯著長處。一般選用額定電流630A螺栓固定銜接式電纜接頭。
四、電纜分支箱的選型
(1)、橡塑外套為主材作為防護型的電纜分支箱。在長期工作中易產生內界面別離及顯露端頭龜裂,使絕緣和密封受損,因此該產品的展開受到限制。
(2)、丙橡膠三元乙(EPDM)為主材的電纜接頭密封型電纜分支箱。其質料偏硬,而EPDM為可燃性資料,易產生爬電或起弧簡單燃燒,一同,防潮防水及抗老化的功用也較弱,達不到長期工作免維護的要求。EPDM為有毒物質,對環保也存在不利因素。
(3)、硅橡膠為主材電纜接頭防洪型電纜分支箱。其質料柔軟,具有高彈性、高密度、全絕緣,資料密封功用杰出、達到防潮、防水、抗老化、抗阻燃、耐電暈和長期工作免維護等長處。因為硅橡膠與電纜采納過盈配合,徑向縮短均勻度高,不會因熱脹冷縮使內界面別離而產生內爬電擊穿,一同對電纜本體有徑向的耐久壓力,使內界面結合緊密可靠。一同硅橡膠本質是無毒資料,對環保也有利。
(4)、部分電纜分支箱帶負荷開關分斷的電纜分支箱。可完成環網柜的功用,并且價格又低于環網柜,在戶外起到代替開關站的重要效果,有便于維護實驗和檢修分支線路,削減停電經濟損失的特點,特別是在線路走廊和建配電房較困難的情況下,更閃現其優越性。
(5)、帶電可觸摸與帶電不可觸摸的差異和選用
帶電可觸摸電纜接頭與帶電不可觸摸電纜接頭的首要差異,是在于前者的硅橡膠電纜接頭內部有半導體屏蔽層,外有導電屏蔽層、通過金融抱箍銜接接地,保證電纜接頭外表電位與接地相同;而后者相同為硅橡膠電纜接頭,通過實測成果兩者對地電壓均為零值,但在實踐工作中、后者外表或許產生感應靜電。
假如運用在變電所內部的多回路并排工作中,需求檢測其間一回路、而相鄰回路帶電工作時,運用可觸摸電纜接頭對安滿是有利的。可是運用在電纜分支箱中,根本不存在此類問題,因為規劃是免維護產品,分支箱內并無任何二次線路需求維護與檢修,并且分支箱外殼為IP43防護等級,箱體已可靠接地,在帶電工作中不允許打開分支箱外殼,不存在帶電觸摸分支箱內部電纜接頭的任何或許。
即便在不可抗外力的損害下(如被轎車等外物激烈相碰撞),運用可觸摸與不可觸摸的電纜接頭,其兩者成果都是相同的。
從工作中的可靠性角度分析、可觸摸電纜接頭因為外表覆蓋導電層并經金屬抱箍接地,因此無任何外絕緣爬距存在。而不可觸摸電纜接頭的外層為強絕緣的硅橡膠,尚有許多外絕緣爬距存在。顯然,在相同的情況下,不可觸摸電纜接頭的工作可靠性高于可觸摸電纜接頭。從經濟上的角度考慮,不可觸摸硅橡膠電纜接頭的價格也低于可觸摸型的電纜接頭。因此,以選用不可觸摸硅橡膠電纜接頭較為抱負。
五、電纜分支箱基礎土建示意
六、電纜分支箱的安裝運用條件和運轉前注意事項
目前我國生產的電纜分支箱品種繁多,因此,電纜分支箱的安裝施工就變得十分重要。在電纜分支箱與電纜接頭安裝銜接過程的操作辦法是否正確、電纜頭安裝工藝是否熟悉、電纜分支箱內部組件與電纜接頭部件組合的先后次序,是否依照廠家配套供給安裝規范說明書進行操作等等,都將直接影響電纜分支箱的運用壽命和正常運轉。
電纜分支箱在運轉前,有必要檢查各分支電纜的接地線是否與箱體的接地端子銜接緊固。一起,箱體外殼有必要與地網直接銜接或有顯著的接地址。電纜分支箱安裝完工后,有必要依照有關規定的實驗規范和條件,對電纜和組件一同進行實驗。